○瀬戸内町廃棄物の処理及び清掃に関する条例施行規則
昭和48年7月11日
規則第5号
(趣旨)
第1条 この規則は,瀬戸内町廃棄物の処理及び清掃に関する条例(昭和48年瀬戸内町条例第29号。以下「条例」という。)の施行について必要な事項を定めるものとする。
(1) 一般廃棄物処理業者 法第7条第1項に規定する一般廃棄物処理業の許可を受けた者をいう。
(2) し尿浄化槽清掃業者 法第9条第1項に規定するし尿浄化槽清掃業の許可を受けた者をいう。
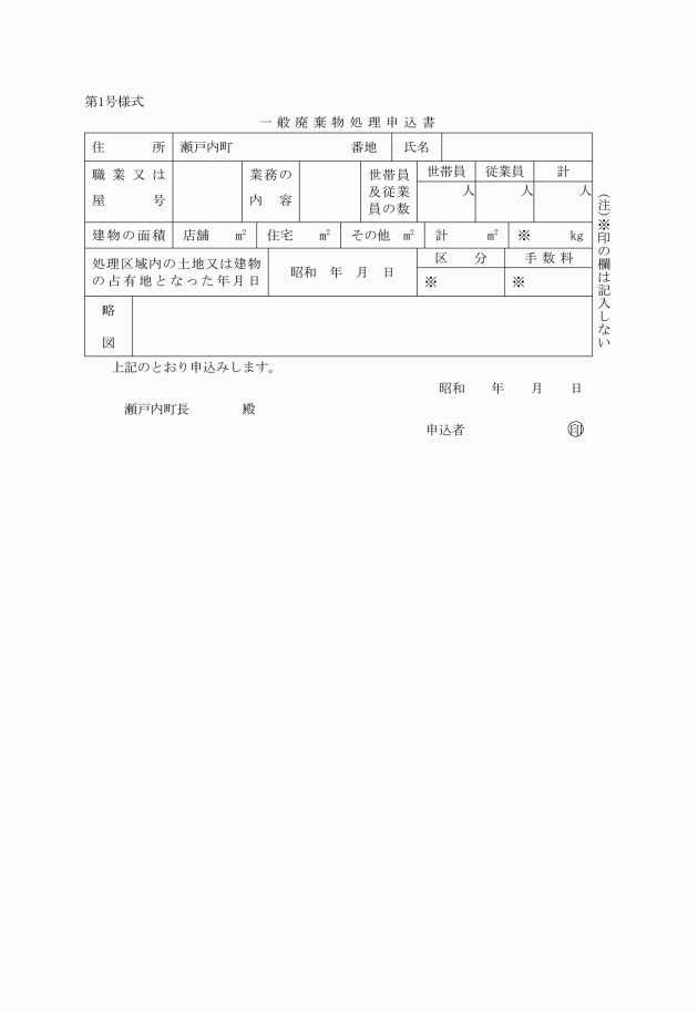
(一般廃棄物の処理申込み)
第3条 あらたに処理区域内の土地又は建物の占有者となった者のうち一般廃棄物の収集,運搬及び処分を町に依頼しようとする者は,一般廃棄物処理申込書(第1号様式)を町長に提出しなければならない。
(多量の一般廃棄物の範囲)
第4条 条例第5条に規定する多量の一般廃棄物の範囲は,ごみ1日平均排出量50キログラムをこえるものとする。
(一般廃棄物処理業の許可申請)
第5条 法第7条第1項の規定により許可を受けようとする者は,一般廃棄物処理業許可申請書(第3号様式)を町長に提出しなければならない。
(許可条件の変更)
第7条 町長は,特に必要があると認めるときは,許可の期間区域又は許可条件を変更することができる。
2 町長は,前項の許可の期間,区域又は許可条件を変更するときは,事前にその事項を記載した書面で許可を受けた者に通知する。
(許可申請事項の変更)
第8条 一般廃棄物処理業者が第5条に規定する許可申請書に記載した事項を変更しようとするとき,又は変更を生じたときは,その旨を記載した書面を町長に提出し,承認を受けなければならない。
(許可証の譲渡,貸与の禁止)
第9条 許可証は,他人に譲渡又は貸与してはならない。
(許可証の返納)
第10条 一般廃棄物処理業者は,次の各号のいずれかに該当する場合は,30日以内に許可証を町長に返納しなければならない。
(1) 許可証の有効期間が満了したとき。
(2) 許可を取り消され又は停止を命じられたとき。
(3) 許可証の再交付を受けた者が亡失した許可証を回復するに至ったとき。
(4) 業務を休止又は廃止したとき,若しくは死亡,合併又は解散したとき。
(業務の休止,廃止)
第11条 一般廃棄物処理業者は,その業務を休止又は廃止しようとするときは,その15日前までに休廃止届(第6号様式)を町長に提出しなければならない。
(1) 社会事業その他公益を目的とする事業を営むもの
(2) その他町長が特に必要があると認めるもの
附則
1 この規則は,昭和48年7月16日から施行する。
2 瀬戸内町清掃条例施行規則(昭和40年瀬戸内町規則第7号)は,廃止する。
附則(昭和61年4月16日規則第7号)
この規則は,昭和61年4月1日から施行する。
附則(平成9年3月13日規則第8号)
この規則は,平成9年4月1日から施行する。
附則(平成16年3月1日規則第2号)
この規則は,平成16年4月1日から施行する。
附則(平成24年3月19日規則第1号の2)
この規則は、平成24年4月1日から施行する。






